news

新闻中心

2025/10/16

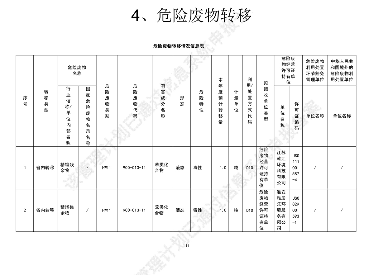
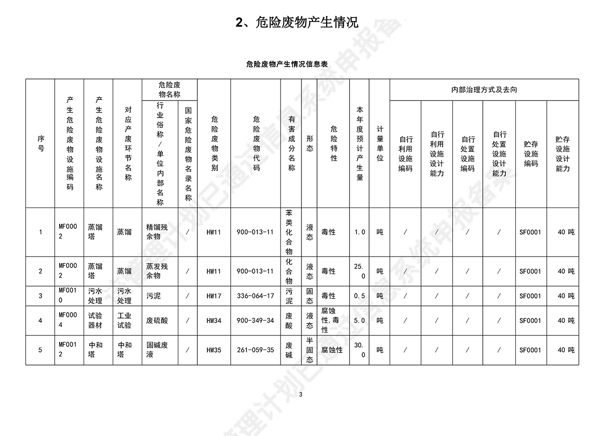
扬州三和危废信息公示

扬州三和危废信息公示

 

网站首页

关于我们

产品中心

新闻动态

企业资质

联系我们

Contact us
联系我们

地   址:扬州市宝应县夏集镇工业园区
联系人:张经理 15961695822(乙醚)
联系人:周经理 18952547349(五氧化二铌,氢氧化铌)
电   话:0514-88722158

传   真:0514-88725518 
邮   箱:25069865@qq.com

SCAN CODE
官方移动平台

手机版
扬州三和化工有限公司 版权所有(C)2023 网络支持 中国化工网 全球化工网 生意宝 著作权声明  苏ICP备2023012542号
首页

首页

关于我们

关于我们

产品中心

产品中心

新闻动态

新闻动态

联系我们

联系我们

苏公网安备 32102302010407号